CozIR-LP3
LOW Power CO2 Sensor의 사용법 및 예제 코드를 설명.
1. Cozir-LP2에서 추가된 기능
알람 기능
- 사용자 알람 값을 설정하였을 경우 알람 값에 도달 하면 디지털 출력으로 사용자에게 알려줌
알람 UART Command
V #####
알람 값 설정
V #####
v
현재 알람 값 읽기
v 15000
- 알람 값은 센서 전원을 껐다 켜도 유지됨
- 초기에는 알람 설정이 꺼져있음
PWM 기능
- 통신 프로토콜을 이용하여 Prescalar, Resolution, mode, pulses setting, pwm on/off 설정 가능
PWM UART Command
J ###
PWM 설정( Prescalar, Resolution, mode, pulses setting, on/off)
J ###
j
현재 PWM 값 읽기
j
J ###\r\n Command
- J ###\r\n에서 ### 은 Bit [7:0] 까지 설정한 값이 들어감
센서 자기 진단 테스트
i
센서 자가 진단 테스트
i ###
Response: ### = 170 - Sensor error
### = 85 - no Sensor error
2. 특징
최첨단 Solid-State LED 광학 기술 이용한 초 저전력 NDIR CO2 센서
디지털(UART) 및 I2C 출력
높은 CO2 측정 정확도
내장형 자동 영점 조정
30 ppm(일반) 정확도
3. 애플리케이션
난방, 환기 및 공기 조절(HVAC)
건물 관리 시스템(BMS)
환기 조절 시스템(DCV)
차량 내 공기 질
무선 장비를 이용한 IoT 및 Smart Technology
실내 공기 질(IAQ)
계측
농업
항공우주
4. 사양
측정 범위
CozIR-LP3-2000: 0-2000ppm CozIR-LP3-5000: 0-5000ppm CozIR-LP3-1: 0-10,000ppm (1%)
센서 내부
Solid-State, 가열된 필라멘트 없음
통신 방식
UART 또는 I²C
전원 전압
3.25-5.5V
소모 전류
측정 모드: 15mA 절전 모드: 0.01mA
응답 시간
30.5ms
동작 온도
0~50℃
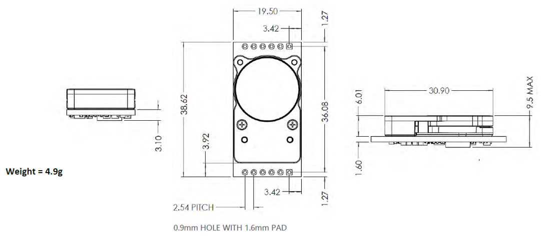
센서 치수 및 무게
L x W x H(31mm x 19.5mm x 8.7mm), Weight(2.5g)
센서 내구성
진동 및 충격에 강하고 비가열성
센서 교정
자동 영점교정 기능 내장
센서 수명
15년
헤더 핀 크기
2.54mm
5. 제품 크기 및 핀 특성
1
GND
VSS
2
VDD
Positive Supply
5
ALARM
ALARM Output
7
PWM_RS485
PWM or RS485 transceiver
8
I2C_ENABLE
Digital Input
9
I2C_SCL
I2C clock
10
I2C_SDA
I2C data
11
Tx_out
Digital Input
12
Rx_ In
Digital Output
6. 디바이스 연결 방법
Connection DIAGRAM (UART)
Connection DIAGRAM (I2C)
7. 통신 프로토콜
통신 환경
Buad Rate
9600
Bits/s
Data Bits
8
Parity
None
Stop Bits
1
Hardware Flow Control
None
UART Command
K 0
Command를 기다리는 상태, 측정 X
K 00000
K 1
연속적으로 값을 측정
K 00001
K 2
센서 값 요청시에만 응답
K 00002
Z
가장 최근에 측정한 CO2 필터 된 값
Z 00521
z
가장 최근에 측정한 CO2 필터 되지 않은 값
z 00521
A ###
CO2 필터 값 설정
A 00016
a
CO2 필터 값 확인
a 00016
U
질소를 사용하여 제로 교정
U 33000
u
초기 설정 값으로 제로 교정
u
G
Fresh Air를 사용하여 제로 교정
G 33000
X #####
현재 값으로 스팬 교정
X 11000
P 10###
P 11###
Fresh Air에서 사용할 대기 중 농도를 설정(default 400ppm)
Fresh Air에서 사용할 대기 중 농도를 설정(default 400ppm)
S ###
고도 설정
S 08192
s
고도 설정 값 확인
s 08192
M ###
측정 데이터 문자열로 전송
M 6
모드 설정 및 CO2 값 읽기
모드
1. COMMAND 모드
- COMMAND를 기다리는 상태, 측정 X
2. Streaming 모드(default)
- 연속적으로 값을 측정함(초당 2회 측정), 측정 외 다른 Command시 100ms delay가 필요함
3. Polling 모드
- 센서 값 요청 시에만 응답, 센서 값 요청하지 않을 때에는 백그라운드에서 계속 측정을 수행함
Command
K 0
명령어 기다리는 상태
K 00000
Streaming
K 1
연속적으로 값 측정
K 00001
Polling
K 2
센서 값 요청 시 에만 응답
K 00002
소스 코드
Streaming mode에서 CO2 값 읽기
#include <SoftwareSerial.h>
SoftwareSerial mySerial(12, 13); //Uno Rx Tx (12 13) = SoftwareSerial
const char* Polling_mode = "K 2\r\n";
const char* Stream_mode = "K 1\r\n";
const char* Standby_mode = "K 0\r\n";
bool tx_ready;
bool rx_ready;
String str;
void setup() {
Serial.begin(9600); //시리얼 통신 초기화
mySerial.begin(9600);
while(!mySerial){} //시리얼 통신 포트가 연결되기 전까지 대기
delay(14); // power on data ready
mySerial.print(Stream_mode); //Polling 모드로 변경
mySerial.print("Z\r\n"); //CO2값 읽기 명령
}
void loop()
{
if(rx_ready == 0) // overflow 처리
{
delay(31); // Measurement data ready
if(mySerial.available()>0) //수신받은 데이터가 0 초과, 즉 데이터가 존재한다면
{ //버퍼에서 읽어드린 char의 데이터를 String 형태로 반환
str = "";
str = mySerial.readStringUntil('\n');
Serial.println(str);
rx_ready = 1;
tx_ready = 1;
}
}
else if(tx_ready == 1)
{
mySerial.print("Z\r\n"); //CO2값 읽기 명령
tx_ready = 0;
rx_ready = 0;
}
}
+시리얼 모니터

Polling mode에서 CO2값 읽기
#include <SoftwareSerial.h>
SoftwareSerial mySerial(12, 13); //Uno Rx Tx (12 13) = SoftwareSerial
const char* Polling_mode = "K 2\r\n";
const char* Stream_mode = "K 1\r\n";
const char* Standby_mode = "K 0\r\n";
String str;
void setup() {
Serial.begin(9600); //시리얼 통신 초기화
mySerial.begin(9600);
while(!mySerial){} //시리얼 통신 포트가 연결되기 전까지 대기
delay(14); // power on data ready
mySerial.print(Polling_mode); //Polling 모드로 변경
}
void loop()
{
if(Serial.read() == 'R')
{
mySerial.print("Z\r\n"); //CO2값 읽기 명령
}
if(mySerial.available()>0) //수신받은 데이터가 0 초과, 즉 데이터가 존재한다면
{ //버퍼에서 읽어드린 char의 데이터를 String 형태로 반환
str = "";
str = mySerial.readStringUntil('\n');
Serial.println(str);
}
}
시리얼 모니터
시리얼 모니터에 'R' 입력 후 엔터

응답

인터페이스 유형별(UART,I2C) CO2값 읽기
I2C
#include <Wire.h>
#define Slave_adddress 0x41
#define CO2_READ_command 0x34
#define CO2_READ_and_test_command 0x02
void setup() {
Wire.begin();
Serial.begin(9600);
}
void loop() {
int CO2_value = 0;
Wire.beginTransmission(Slave_adddress); // transmit to slave address
Wire.write(CO2_READ_and_test_command); // transmit to register address
Wire.endTransmission(); // stop transmitting
Wire.requestFrom(Slave_adddress, 3); //from slave request 2byte
while ( Wire.available()) {
int CO2_high_value = Wire.read();
int CO2_low_value = Wire.read();
/* CO2_Self_test value = 85(DEC) : Sensor is nominal ,
CO2_Self_test value = 170(DEC): Sensor error */
int CO2_self_test = Wire.read();
CO2_high_value = CO2_high_value <<8;
CO2_value = CO2_high_value + CO2_low_value;
Serial.print("CO2_value : ");
Serial.print(CO2_value); //reading CO2 value
Serial.println(" PPM ");
}
delay(1000);
}
UART
#include <SoftwareSerial.h>
SoftwareSerial mySerial(12, 13); //Uno Rx Tx (12 13) = SoftwareSerial
const char* Polling_mode = "K 2\r\n";
const char* Stream_mode = "K 1\r\n";
const char* Standby_mode = "K 0\r\n";
bool tx_ready;
bool rx_ready;
String str;
void setup() {
Serial.begin(9600); //시리얼 통신 초기화
mySerial.begin(9600);
while(!mySerial){} //시리얼 통신 포트가 연결되기 전까지 대기
delay(14); // power on data ready
mySerial.print(Stream_mode); //Polling 모드로 변경
mySerial.print("Z\r\n"); //CO2값 읽기 명령
}
void loop()
{
if(rx_ready == 0) // overflow 처리
{
delay(31); // Measurement data ready
if(mySerial.available()>0) //수신받은 데이터가 0 초과, 즉 데이터가 존재한다면
{ //버퍼에서 읽어드린 char의 데이터를 String 형태로 반환
str = "";
str = mySerial.readStringUntil('\n');
Serial.println(str);
rx_ready = 1;
tx_ready = 1;
}
}
else if(tx_ready == 1)
{
mySerial.print("Z\r\n"); //CO2값 읽기 명령
tx_ready = 0;
rx_ready = 0;
}
}
Serial Monitor
I2C
UART
Digital filter
필터(Filtered)된 값과 필터 되지 않은(Unfiltered) CO2 값의 차이는 아래 그림과 같음

필터된(Filtered) CO2 값은 노이즈를 제거하여 더 정확한 값을 제공함
Digital filter 설정
필터 설정 범위: 1~255( 1= Unfiltered)
필터의 설정 값이 증가하면 측정 출력 응답 시간이 늘어남

A=필터 설정 값
A = 32 가 A = 16(default) 보다 T90에 도달하는 시간이 늘어남
Digital filter Command
A ###
CO2 필터 값 설정
A 16
A 00016
a
CO2 필터 값 확인
a
a 00016
소스코드
CO2 필터 값 확인
#include <SoftwareSerial.h>
SoftwareSerial mySerial(12, 13); //Uno Rx Tx (12 13) = SoftwareSerial
const char* Polling_mode = "K 2\r\n";
const char* Stream_mode = "K 1\r\n";
const char* Standby_mode = "K 0\r\n";
bool tx_ready;
bool rx_ready;
String str;
void setup() {
Serial.begin(9600); //시리얼 통신 초기화
mySerial.begin(9600);
while(!mySerial){} //시리얼 통신 포트가 연결되기 전까지 대기
delay(14); // power on data ready
mySerial.print(Stream_mode); //Polling 모드로 변경
}
void loop()
{
if(rx_ready == 0) // overflow 처리
{
delay(31); // Measurement data ready
if(mySerial.available()>0) //수신받은 데이터가 0 초과, 즉 데이터가 존재한다면
{ //버퍼에서 읽어드린 char의 데이터를 String 형태로 반환
str = "";
str = mySerial.readStringUntil('\n');
Serial.println(str);
rx_ready = 1;
tx_ready = 1;
}
}
else if(tx_ready == 1)
{
mySerial.print("a\r\n"); //현재 설정된 필터 값 읽기 명령어
tx_ready = 0;
rx_ready = 0;
}
}++
시리얼 모니터

CO2 필터 값 설정
#include <SoftwareSerial.h>
SoftwareSerial mySerial(12, 13); //Uno Rx Tx (12 13) = SoftwareSerial
const char* Polling_mode = "K 2\r\n";
const char* Stream_mode = "K 1\r\n";
const char* Standby_mode = "K 0\r\n";
bool tx_ready;
bool rx_ready;
String str;
void setup() {
Serial.begin(9600); //시리얼 통신 초기화
mySerial.begin(9600);
while(!mySerial){} //시리얼 통신 포트가 연결되기 전까지 대기
delay(14); // power on data ready
mySerial.print(Stream_mode); //Polling 모드로 변경
}
void loop()
{
if(rx_ready == 0) // overflow 처리
{
delay(31); // Measurement data ready
if(mySerial.available()>0) //수신받은 데이터가 0 초과, 즉 데이터가 존재한다면
{ //버퍼에서 읽어드린 char의 데이터를 String 형태로 반환
str = "";
str = mySerial.readStringUntil('\n');
Serial.println(str);
rx_ready = 1;
tx_ready = 1;
}
}
else if(tx_ready == 1)
{
mySerial.print("A 32\r\n"); //필터 값 변경 명령어
tx_ready = 0;
rx_ready = 0;
}
}
시리얼 모니터

Last updated